Home›
Merken›
Piaggio›
Scooter›
Piaggio Zip›
Piaggio Zip 2000›
Piaggio Zip SP H2O 50cc 2 Takt (2001-2015)›
Remschoenen
Piaggio Zip SP H2O 50cc 2 Takt 2001-2015 – Remschoenen
Bijpassende producten
-
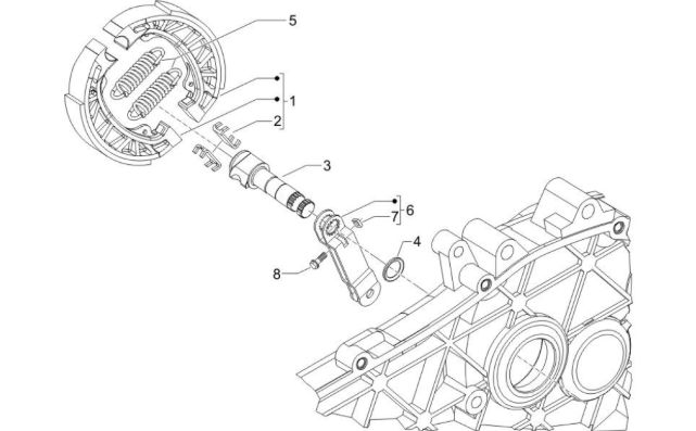
1.
Remschoenen 110MM Piaggio / Vespa OrigineelOp voorraad€12,97
-
3.
Remhevelas Piaggio & Vespa 50cc 2 / 4 TaktOp voorraad€30,00
-
4.
Keerring Remhevelas Piaggio / Vespa 2-4 Takt OrigineelBeschikbaar op bestelling€1,96
-
5.
Remsegmentveer Piaggio OrigineelOp voorraad€1,96
-
6.
Remhevel (gebogen) achter Piaggio OrigineelOp voorraad€8,26
-
7.
Moer Vierkant M6 Remsleutel Piaggio OrigineelOp voorraad€1,96
-
8.
Bout Remhevelas M6x28MM Piaggio / Vespa OrigineelBeschikbaar op bestelling€3,46
Andere tekeningen voor Piaggio Zip SP H2O 50cc 2 Takt (2001-2015)
Accu Toeter Startrelais
Achterlicht Knipperlichten
Achterspatbord Kap
Achterwiel
Beenschild
Benzinetank
Buddybak
Carburateur Onderdelen
Carburateur
Carterdeksel
Carterset
Cdi Bobine
Cilinder Zuiger
Cilinderkopdeksel
Contactslot
Frame
Kabelboom
Kilometer Remkabel
Kilometerteller
Koelsysteem
Koplamp Kipperlichten
Koppeling
Krukas
Luchtfilter
Middenstandaard
Motorblok
Oliepomp
Olietank
Onderkuip
Remklauw
Remschoenen
Sas Klep
Schokbreker Achter
Spiegels
Startmotor Kickstart
Stickers
Stuur Onderdelen
Stuurkappen
Stuurschakelaars
Subframe
Treeplank Bougiekappen
Uitlaat
Variateur
Vertanding
Vliegwiel Ontsteking
Vliegwieldeksel
Voor Achterspatbord Over Wiel
Voorkap
Voorvork
Voorwiel
Waterpomp
Zadel
×